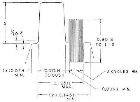
NTSC Signal Spec. - Colour Sub-C. @ Fig. 1-5 (p4-of-7) - Lasts ~4 pc of 1 H. line {1953-Dec-17} [480x350]

NTSC Signal Spec. - Colour Sub-C. @ Fig. 1-5 (p4-of-7) - Lasts ~4 pc of 1 H. line {1953-Dec-17} [480x350]
#Induction Heat #LAVAWand #LAVACapsule #Plan-A #Micro-Bursting #Pulse-Heating

About regenerating the "Chroma Burst" reference clock...
User avatar
Egzoset
Registered User
Posts: 143
Joined: Sat Nov 23, 2019 6:13 am
Status: Offline

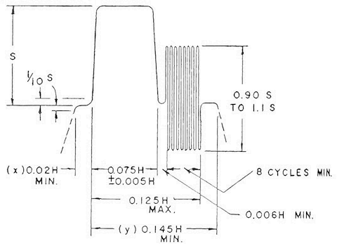
NTSC Signal Spec. - Colour Sub-C. @ Fig. 1-5 (p4-of-7) - Lasts ~4 pc of 1 H. line {1953-Dec-17} [480x350]


Mon Feb 15, 2021 5:30 pm
125
No comments yet

Return to “Egzoset's Vaporist Corner”